| 選擇 | 詢價 | 型號 | 尺寸(mm) | 基本額定載荷(KN) | Pu | 轉速(rpm) | 重量(Kg) | ISO335? | 尺寸(mm) | 安裝尺寸(mm) | 參數 |
|---|
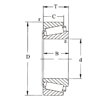
| d1 | D | B | Cr | Cor | 轉速等級 | 極限轉速 | 尺寸 (ABMA) | d | d1 | B | C | r1,2(min) | r3,4(min) | a | da(max) | db(min) | Da(min) | Da(max) | Db(min) | Ca(min) | Cb(min) | ra(max) | rb(max) | e | Y | Yo |
|
|
32064X |
320 |
480 |
100 |
1540 |
3100 |
255 |
850 |
1100 |
64,0 |
4GD |
320 |
399 |
100 |
74 |
5 |
4 |
103 |
350 |
342 |
424 |
460 |
461 |
15 |
26 |
4 |
3 |
0,46 |
1,3 |
0,7 |
|
|
32060X |
300 |
460 |
100 |
1540 |
3000 |
250 |
900 |
1200 |
58,0 |
4GD |
300 |
377 |
100 |
74 |
5 |
4 |
97 |
330 |
322 |
404 |
440 |
439 |
15 |
26 |
4 |
3 |
0,43 |
1,4 |
0,8 |
|
|
32056X |
280 |
420 |
87 |
1210 |
2360 |
200 |
1000 |
1300 |
40,5 |
4FC |
280 |
348 |
87 |
65 |
5 |
4 |
89 |
305 |
302 |
370 |
400 |
402 |
14 |
22 |
4 |
3 |
0,46 |
1,3 |
0,7 |
|
|
32052X |
260 |
400 |
87 |
1170 |
2200 |
190 |
1100 |
1400 |
40,0 |
4FC |
260 |
328 |
87 |
65 |
5 |
4 |
84 |
287 |
282 |
352 |
383 |
383 |
13 |
22 |
4 |
3 |
0,43 |
1,4 |
0,8 |
|
|
32048X |
240 |
360 |
76 |
935 |
1800 |
160 |
1200 |
1600 |
27,5 |
4FD |
240 |
299 |
76 |
57 |
4 |
3 |
78 |
262 |
256 |
318 |
345 |
346 |
12 |
19 |
3 |
2,5 |
0,46 |
1,3 |
0,7 |
|
|
32044X |
220 |
340 |
76 |
897 |
1660 |
150 |
1300 |
1700 |
25,5 |
4FD |
220 |
279 |
76 |
57 |
4 |
3 |
72 |
244 |
236 |
300 |
325 |
326 |
12 |
19 |
3 |
2,5 |
0,43 |
1,4 |
0,8 |
|
|
32040X |
200 |
310 |
70 |
748 |
1370 |
127 |
1400 |
1900 |
19,5 |
4FD |
200 |
254 |
70 |
53 |
3 |
2,5 |
66 |
222 |
214 |
273 |
296 |
297 |
11 |
17 |
2,5 |
2 |
0,43 |
1,4 |
0,8 |
|
|
32038X |
190 |
290 |
64 |
660 |
1200 |
112 |
1500 |
2000 |
15,0 |
4FD |
190 |
240 |
64 |
48 |
3 |
2,5 |
62 |
210 |
204 |
257 |
276 |
279 |
10 |
16 |
2,5 |
2 |
0,44 |
1,35 |
0,8 |
|
|
32036X |
180 |
280 |
64 |
644 |
1160 |
110 |
1600 |
2200 |
14,5 |
3FD |
180 |
229 |
64 |
48 |
3 |
2,5 |
59 |
199 |
194 |
247 |
266 |
267 |
10 |
16 |
2,5 |
2 |
0,43 |
1,4 |
0,8 |
|
|
32034X |
170 |
260 |
57 |
512 |
915 |
90 |
1700 |
2200 |
10,5 |
4EC |
170 |
214 |
57 |
43 |
3 |
2,5 |
56 |
188 |
184 |
230 |
246 |
249 |
10 |
14 |
2,5 |
2 |
0,44 |
1,35 |
0,8 |
|
|
32032X |
160 |
240 |
51 |
429 |
780 |
78 |
1800 |
2400 |
7,75 |
4EC |
160 |
200 |
51 |
38 |
3 |
2,5 |
52 |
175 |
174 |
213 |
228 |
231 |
8 |
13 |
2,5 |
2 |
0,46 |
1,3 |
0,7 |
|
|
32030X |
150 |
225 |
48 |
369 |
655 |
65,5 |
2000 |
2600 |
6,35 |
4EC |
150 |
187 |
48 |
36 |
3 |
2,5 |
49 |
164 |
164 |
200 |
213 |
216 |
8 |
12 |
2,5 |
2 |
0,46 |
1,3 |
0,7 |
|
|
32028X |
140 |
210 |
45 |
330 |
585 |
58,5 |
2200 |
2800 |
5,25 |
4DC |
140 |
175 |
45 |
34 |
2,5 |
2 |
46 |
153 |
152 |
187 |
200 |
202 |
7 |
11 |
2 |
2 |
0,46 |
1,3 |
0,7 |
|
|
32026X |
130 |
200 |
45 |
314 |
540 |
55 |
2200 |
3000 |
4,95 |
4EC |
130 |
165 |
45 |
34 |
2,5 |
2 |
42 |
144 |
142 |
178 |
190 |
192 |
7 |
11 |
2 |
2 |
0,43 |
1,4 |
0,8 |
|
|
32024X |
120 |
180 |
38 |
242 |
415 |
44 |
2400 |
3400 |
3,25 |
4DC |
120 |
150 |
38 |
29 |
2,5 |
2 |
39 |
132 |
131 |
161 |
170 |
173 |
7 |
9 |
2 |
2 |
0,46 |
1,3 |
0,7 |
|
|
32022X/Q |
110 |
170 |
38 |
233 |
390 |
42,5 |
2600 |
3600 |
3,05 |
4DC |
110 |
140 |
38 |
29 |
2,5 |
2 |
36 |
123 |
121 |
152 |
160 |
163 |
7 |
9 |
2 |
2 |
0,43 |
1,4 |
0,8 |
|
|
32021X/Q |
105 |
160 |
35 |
201 |
335 |
37,5 |
2800 |
3800 |
2,40 |
4DC |
105 |
132 |
35 |
26 |
2,5 |
2 |
34 |
116 |
116 |
143 |
150 |
154 |
6 |
9 |
2 |
2 |
0,44 |
1,35 |
0,8 |
|
|
32022X/Q |
110 |
170 |
38 |
233 |
390 |
42,5 |
2600 |
3600 |
3,05 |
4DC |
110 |
140 |
38 |
29 |
2,5 |
2 |
36 |
123 |
121 |
152 |
160 |
163 |
7 |
9 |
2 |
2 |
0,43 |
1,4 |
0,8 |
|
|
32021X/Q |
105 |
160 |
35 |
201 |
335 |
37,5 |
2800 |
3800 |
2,40 |
4DC |
105 |
132 |
35 |
26 |
2,5 |
2 |
34 |
116 |
116 |
143 |
150 |
154 |
6 |
9 |
2 |
2 |
0,44 |
1,35 |
0,8 |
|
|
32019X/Q |
95 |
145 |
32 |
168 |
270 |
30,5 |
3200 |
4300 |
1,80 |
4CC |
95 |
120 |
32 |
24 |
2 |
1,5 |
31 |
105 |
104 |
130 |
138 |
139 |
6 |
8 |
2 |
1,5 |
0,44 |
1,35 |
0,8 |
|
|
32018X/Q |
90 |
140 |
32 |
168 |
270 |
31 |
3200 |
4300 |
1,75 |
3CC |
90 |
115 |
32 |
24 |
2 |
1,5 |
30 |
100 |
98 |
125 |
132 |
134 |
6 |
8 |
2 |
1,5 |
0,43 |
1,4 |
0,8 |
|
|
32016X/Q |
80 |
125 |
29 |
138 |
216 |
24,5 |
3600 |
5000 |
1,30 |
3CC |
80 |
103 |
29 |
22 |
1,5 |
1,5 |
27 |
90 |
87 |
112 |
117 |
120 |
6 |
7 |
1,5 |
1,5 |
0,43 |
1,4 |
0,8 |
|
|
32015X/Q |
75 |
115 |
25 |
122 |
163 |
18,6 |
4300 |
5300 |
0,90 |
4CC |
75 |
95,1 |
25 |
19 |
1,5 |
1,5 |
25 |
83 |
82 |
103 |
108 |
110 |
5 |
6 |
1,5 |
1,5 |
0,46 |
1,3 |
0,7 |
|
|
32014X/Q |
70 |
110 |
25 |
116 |
153 |
17,3 |
4500 |
5600 |
0,84 |
4CC |
70 |
89,8 |
25 |
19 |
1,5 |
1,5 |
23 |
78 |
77 |
98 |
103 |
105 |
5 |
6 |
1,5 |
1,5 |
0,43 |
1,4 |
0,8 |
|
|
32012X/QCL7C |
60 |
95 |
23 |
95 |
122 |
13,4 |
5300 |
6700 |
0,59 |
4CC |
60 |
77,8 |
23 |
17,5 |
1,5 |
1,5 |
21 |
67 |
67 |
85 |
88 |
91 |
4 |
5 |
1,5 |
1,5 |
0,43 |
1,4 |
0,8 |
|
|
32010X/QCL7CVB026 |
50 |
80 |
20 |
69,5 |
88 |
9,65 |
6300 |
8000 |
0,37 |
3CC |
50 |
65,6 |
20 |
15,5 |
3 |
1 |
18 |
57 |
62 |
72 |
74 |
77 |
4 |
4,5 |
2,5 |
1 |
0,43 |
1,4 |
0,8 |
|
|
32010X/Q |
50 |
80 |
20 |
69,5 |
88 |
9,65 |
6300 |
8000 |
0,37 |
3CC |
50 |
65,6 |
20 |
15,5 |
1 |
1 |
18 |
57 |
56 |
72 |
74 |
77 |
4 |
4,5 |
1 |
1 |
0,43 |
1,4 |
0,8 |
|
|
33209/Q |
45 |
85 |
32 |
108 |
143 |
16,3 |
5300 |
7500 |
0,82 |
3DE |
45 |
65,2 |
32 |
25 |
1,5 |
1,5 |
22 |
52 |
52 |
72 |
78 |
81 |
5 |
7 |
1,5 |
1,5 |
0,4 |
1,5 |
0,8 |
|
|
32008XTN9/Q |
40 |
68 |
19 |
60 |
71 |
7,65 |
7500 |
9500 |
0,27 |
3CD |
40 |
54,2 |
19 |
14,5 |
1 |
1 |
15 |
46 |
46 |
60 |
62 |
65 |
4 |
4,5 |
1 |
1 |
0,37 |
1,6 |
0,9 |
|
|
32008X/Q |
40 |
68 |
19 |
60 |
71 |
7,65 |
7500 |
9500 |
0,27 |
3CD |
40 |
54,2 |
19 |
14,5 |
1 |
1 |
15 |
46 |
46 |
60 |
62 |
65 |
4 |
4,5 |
1 |
1 |
0,37 |
1,6 |
0,9 |
|
|